/
/
/
/
شكل C من مكبس هيدروليكي بعمود واحد (Y41)
الصفحة الرئيسية » منتجات » الضغط الهيدروليكي » الصحافة الهيدروليكية عمود واحد » شكل C من مكبس هيدروليكي بعمود واحد (Y41)

قائمة الفئات

أخبار ذات صلة

محتوى فارغ!

loading

حصة ل:
sharethis sharing button

شكل C من مكبس هيدروليكي بعمود واحد (Y41)

الكمية:
  • Y41

  • الضغط الهيدروليكي

  • الدقة العادية

  • CE ، ISO 9001

  • جديد

  • TSD

  • بواسطة حاوية مع طبقة فيلم لينة

  • Y41

  • الصين

  • 8462919000

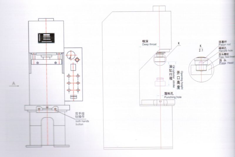
تتميز الماكينة بطاولة العمل الطويلة / الحلق العميق ، فم التغذية الواسع ، السرعة السريعة ، التغذية والتفريغ المريحة ، المعالجة الدقيقة والموثوقة ، الوظائف المختلفة والتشغيل السهل. إنه يستخدم على نطاق واسع في عمليات تركيب وتصريف و سحب و ثني عمليات التصنيع الميكانيكية ، و هي المعدات التي لا غنى عنها في مجال السيارات ، الآلات الهندسية ، قاطرة السكك الحديدية ، المعادن ، الكهرباء ، الآلات البترولية و صناعة الطائرات الهوائية

اكتب
اسم
Y41-200 / 1400 * 4000 Y41-300 / 1400 * 4000 Y41-315 / 1800 * 1800 Y41-400 / 1800 * 1800 Y41-630 / 1500 * 1800 Y41-630 / 1800 * 2000 Y41-800 / 2000 * 2500 Y41-1000 / 12000 * 2500




الضغط الاسمي (kn) 2000 3000 3150 4000 6300 6300 8000 10000

عرض الجدول (L-R
0 (مم)
4000 4000 1800 1800 1800 2000 2500 2500

عرض الجدول (F-B) (مم) 1400 1400 1500 1500 1500 800 2000 2000



أقصى ارتفاع الافتتاح (مم) 1500 1800 1500 1500 1500 1500 1500 1500
عمق الحلق (مم) 750 750 1000 1300 1000 600 1500 1500
السكتة الدماغية إندينتر (مم) 500 600 800 800 800 500 1300 1300
سرعة الوصلة الهابطة لسرعة رئيس الضغط (مم / ثانية) 80 80 80 60 60 60 120 120
رئيس ضغط سرعة العمل (مم / ثانية) 10 3.7 8 7.5 3 3 6 ~ 12 6`12
معدل عودة رئيس الضغط (مم / ثانية) 80 80 100 70 70 70 74 74
السلطة (كيلوواط) 22 22 37 37 37 37 55 55
الأبعاد الكلية (L * W * H) 4400 * 3117 * 5207 4394 * 4080 * 5900 2840 * 5000 * 5320 2840 * 5310 * 5320 2840 * 4500 * 5800 2840 * 4010 * 4900 2500 * 5000 * 7000 2500 * 5000 * 7500
الوزن (كلغ) 21500 26500 40000 47500 60000 50000 85000 100000


شكل C من مكبس هيدروليكي بعمود واحد (Y41)


خدمة ما بعد البيع:
1. وSاجتاز eller شهادة نظام الجودة ISO9001منذ1997، ودائما تنفذ بدقة هذه الجودة
نظام الإدارة في شركتنا وعلى منتجاتنا
.

جميع المنتجات قبل الأشغال السابقة تم اختبارها بدقة وتتوافق مع الاتفاق الفني و
اساسي.

2. الضمان هو سنة واحدة منذ تاريخ B / L ، أو تاريخ القبول النهائي للآلات الثقيلة. ضمان أطول
يمكن شراؤها من قبل المستخدم.

3.التكليف: للآلات الثقيلة ، و Sإرسال ديلرs الفنيين(الكهرباءهيدروليكي& ميكانيكي)
لتوجيه التثبيت
,اختباراتوتدريب المشغلين من 7 أيام إلى 45أيام بعد الجهاز
تصل
وفاقالمصنع للالمستعمل. لكن تذاكر الطيران ذهابا وإياباوالسكن المحلي والبدل
(USD100 / شخص
·يوم)فيالمستخدم'sسوف تكون مثقلة البلدBuyer. الرسوم المذكورة أعلاه لا تكون
المدرجة في
عرض.سيتم عرض هذه البنود في العقد.

3. للآلات القياسية المتوسطة والصغيرة ، فمن السهل أن تعمل وفقا لدليل التشغيل. المستخدم هو
اقترح أولا أن تقرأ بعناية دليل التشغيل ، ثم بدء تشغيل الجهاز. أي مشاكل غير واضحة ،
رجاءيشعر
تتردد في الاتصال البائع.

إذا أصر المستخدم على توفير الخدمة التقنية في الاستخدام's المصنع ، يرجى الرجوع إلى البنود رقم 2 بعد البيع-
الخدمات.

4. يمكن تتبع جميع منتجات البائع عن طريق عدد الأعمال السابقين. يمكن توفير قطع الغيار كما في السابق ،
وهو مفيد للعملاء
'متطلبات التصميم الخاصة.

5. يمكن توفير الأجزاء المستهلكةمجانا لزبونخلال عام واحدضمانمن عندتاريخ ب / ل، و ال
خدمة استشارية فنية طويلة الأجل
متاح.

6. المشتركةيمكن حل الفشل عن طريق البريد الإلكتروني والهاتف وتشخيص الفيديو لمسافات طويلة. الUسريجب أن العرض الكامل
وصف الفشل ، صور واضحة ومقاطع الفيديو ، إن أمكن.

مرة واحدة ظهرت مشكلة نوعية خطيرة بسببSوايلرتصنيعالسبب في غضون سنة واحدة منذ
B / Lتاريخأو تاريخ القبول النهائي للآلات الثقيلة. تيهوSسوف eller إرسال بهمفنيلإصلاحه.

7. بعد ضمان سنة واحدة ،البائعسيوفراستشارة تقنية مجانية وإضافي القطعوفني
الخدمة بأقل تكلفة.

على: 
تحت: 

الجودة أولا ، العميل أولا

يتم منح مركز البحث والتطوير التابع لـ TSD كمركز وطني للبحث والتطوير. يسعدنا الحصول على استفسارك وسنعود إليه في أقرب وقت ممكن.
أكثر

أنشرها

روابط سريعة

اتصل بنا

هاتف: + 86-938-2621183
الجوال: + 86-13830852097
مدير المكتب رئيس المكتبطريق شمال ويبين ، مايجي
حي ، مدينة تيانشوي ، مقاطعة قانسو 741020 P.R.China
البريد الإلكتروني:sales@tsdpressbrake.com
اتصل بي
حقوق الطبع والنشر © Tianshui Metalforming Machine Tool (Group) Co.، Ltd.خريطة الموقع
التكنولوجيا من قبلleadong