/
/
/
/
مكبس هيدروليكي بإطار C من أجل الاستقامة والضغط (Y41-25)
الصفحة الرئيسية » منتجات » الضغط الهيدروليكي » الصحافة الهيدروليكية عمود واحد » مكبس هيدروليكي بإطار C من أجل الاستقامة والضغط (Y41-25)

قائمة الفئات

أخبار ذات صلة

محتوى فارغ!

loading

حصة ل:
sharethis sharing button

مكبس هيدروليكي بإطار C من أجل الاستقامة والضغط (Y41-25)

الكمية:
  • Y41-25

  • TSD

  • بواسطة حاوية مع طبقة فيلم لينة

  • Y41-25

  • الصين

  • 8462919000

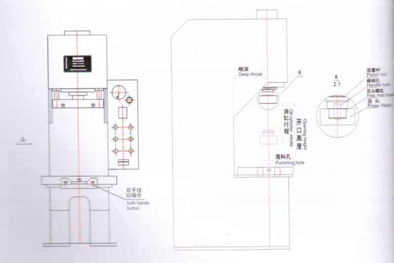
ج الصحافة الهيدروليكية الإطار لاستقامة والصحافة في
نموذج: Y41-25

مميزات:
- الكمبيوتر الأمثل هيكل عمودي C مع صلابة عالية
- مظهر جذاب وأنيق ، مع نظام القيادة داخل الإطار
- يتم استخدام صمام التحكم اليدوي الاتجاهي في النظام الهيدروليكي لتنظيم سهل للسرعة
- التعامل مع عملية أو تشغيل دواسة في اختيار المشغل
- السكتة الدماغية والضغط يمكن تعديلها ضمن النطاق المحدد.


خيارات
- استقامة الجدول


لا. المعايير الفنية وحدة Y41-16 Y41-25 Y41-40 Y41-63 Y41-100 Y41-160 Y41-200 Y41-315 Y41-400
1 الضغط الاسمي كيلو نيوتن 160 250 400 630 1000 1600 2000 3150 4000
2 الضغط الهيدروليكي كيلو نيوتن 20 16 16 25 25 25 25 25 25
3 ضربة الشريحة ميجا باسكال 400 400 400 500 600 700 700 800 800
4 ضوء النهار مم 500 630 630 750 800 900 1000 1100 1250
5 عمق الحلق مم 250 350 350 320 400 420 450 800 1500
6 سرعة الشريحة نزول ملم / ثانية
80 80 120 100 80 80 80 80
ملح 18-20 18-20 18-20 18-20 15-20 10-12 10-15 8-10 10-12
عودة 50 75 75 100 100 70 70 60 55
7 منطقة فعالة من طاولة العمل L-R مم 500 580 700 710 800 900 900 1500 2000
F-B 450 570 570 600 700 800 900 1500 1800
8 الارتفاع من طاولة العمل إلى الأرض مم 710 710 710 810 800 900 900 1400 1400
9 قطر إسقاط حفرة مم
100 100 100




10 قوة المحرك كيلوواط 4 5.5 5.5 7.5 7.5 11 15 22 22


مكبس هيدروليكي بإطار C من أجل الاستقامة والضغط (Y41-25)

خدمة ما بعد البيع:
1. لقد حصل البائع على شهادة نظام الجودة ISO9001 منذ عام 1997 ، ويقوم دائمًا بتنفيذ هذه الجودة بدقة
نظام الإدارة في شركتنا وعلى منتجاتنا.
جميع المنتجات قبل الأشغال السابقة تم اختبارها بدقة وتتوافق مع الاتفاق الفني و
اساسي.
2. الضمان هو سنة واحدة منذ تاريخ B / L ، أو تاريخ القبول النهائي للآلات الثقيلة. ضمان أطول
يمكن شراؤها من قبل المستخدم.
3. التكليف: للآلات الثقيلة ، يرسل البائع الفنيين (الكهربائية الهيدروليكية والميكانيكية)
لتوجيه التثبيت ، واختبار وتدريب المشغلين من 7 أيام إلى 45 يومًا بعد الجهاز
يصل إلى مصنع المستخدم. لكن تذاكر الطيران ذهابا وإيابا والإقامة المحلية والبدل
(100 دولار للشخص في اليوم) في بلد المستخدم ستكون مثقلة من قبل المشتري. الرسوم المذكورة أعلاه لا تكون
المدرجة في العرض. سيتم عرض هذه البنود في العقد.
3. للآلات القياسية المتوسطة والصغيرة ، فمن السهل أن تعمل وفقا لدليل التشغيل. المستخدم هو
اقترح أولا أن تقرأ بعناية دليل التشغيل ، ثم بدء تشغيل الجهاز. أي مشاكل غير واضحة ، يرجى يشعر
تتردد في الاتصال البائع.
إذا أصر المستخدم على تقديم الخدمة الفنية في مصنع الاستخدام ، يرجى الرجوع إلى البنود رقم 2 بعد البيع -
الخدمات.
4. يمكن تتبع جميع منتجات البائع عن طريق عدد الأعمال السابقين. يمكن توفير قطع الغيار كما في السابق ،
وهو أمر مفيد لمتطلبات التصميم الخاصة للعملاء.
5. يمكن توفير الأجزاء المستهلكة مجانًا للعميل في غضون ضمان لمدة سنة واحدة من تاريخ B / L ، و
خدمة الاستشارات الفنية طويلة الأجل متاحة.
6. يمكن حل الفشل المشترك عن طريق البريد الإلكتروني والهاتف وتشخيص الفيديو لمسافات طويلة. يجب على المستخدم تزويد كاملة
وصف الفشل ، صور واضحة ومقاطع الفيديو ، إن أمكن.
بمجرد ظهور مشكلة جودة خطيرة بسبب سبب تصنيع البائع خلال سنة واحدة منذ ذلك الحين
B / L تاريخ أو تاريخ القبول النهائي للآلات الثقيلة. سوف يرسل البائع فنيهم لإصلاحه.
7. بعد ضمان لمدة سنة واحدة ، سيقوم البائع بتوفير الاستشارات الفنية المجانية وقطع الغيار والفني
الخدمة بأقل تكلفة.

مكبس هيدروليكي بإطار C من أجل الاستقامة والضغط (Y41-25)
على: 
تحت: 

الجودة أولا ، العميل أولا

يتم منح مركز البحث والتطوير التابع لـ TSD كمركز وطني للبحث والتطوير. يسعدنا الحصول على استفسارك وسنعود إليه في أقرب وقت ممكن.
أكثر

أنشرها

روابط سريعة

اتصل بنا

هاتف: + 86-938-2621183
الجوال: + 86-13830852097
مدير المكتب رئيس المكتبطريق شمال ويبين ، مايجي
حي ، مدينة تيانشوي ، مقاطعة قانسو 741020 P.R.China
البريد الإلكتروني:sales@tsdpressbrake.com
اتصل بي
حقوق الطبع والنشر © Tianshui Metalforming Machine Tool (Group) Co.، Ltd.خريطة الموقع
التكنولوجيا من قبلleadong