محتوى فارغ!
Y41-160
TSD
Y41-160
1600 ك
1000 ملم
500 مم
325 ملم
750X630 مم
200 ملم
15 كيلو واط
الصحافة المناسب & معايرة شافت وبوش
TSD
بواسطة حاوية مع طبقة فيلم لينة
Y41-160
الصين
8462919000
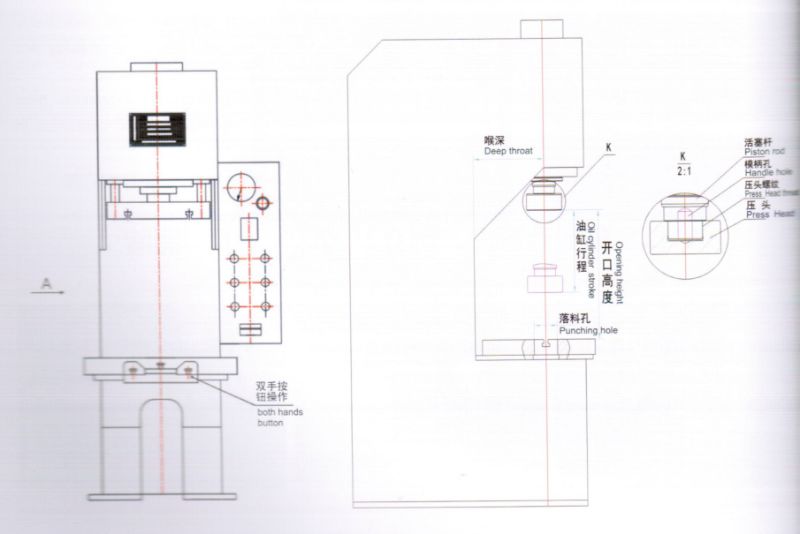
الإطار C الصحافة الهيدروليكية تستخدم لمعايرة قضيب الحفر النفط
نموذج: Y41-160
المميزات:
- إطار آلة ملحومة لتخفيف الضغط الداخلي عن طريق الفرن
- نوع C الحلق العميق
- توجيه كتلة الشريحة مع السكك الحديدية دليل جولة صلابة عالية
- كتلة الشريحة التي تربط قضيب مكبس من اسطوانة النفط للتحرك صعودا وهبوطا مع أربعة أعمدة التوجيه.
- مع T الشق على طاولة العمل وكتلة الشريحة المستخدمة لتثبيت الأدوات.
- اسطوانة مكبس واحدة لتحقيق الضغط الرئيسي
- خزان النفط مغلق
- وظيفة حماية الضغط الزائد للنظام الهيدروليكي مع تأثير صغير
- خزانة كهربائية مستقلة في يمين الآلة
- لوحة التشغيل المركزية مع مؤشر العمل
- مع عمليات التكيف وشبه التلقائي
- زر التوقف في حالات الطوارئ يمكن أن يتوقف الجهاز في حالات الطوارئ
- مع مفتاح القرب على نقطة تغيير السرعة ونقطة موضع الحد الأعلى القابل للتعديل ونقطة السكتة الدماغية الثابتة لصنع الآلة
حياة طويلة.
- مواقع الحد العلوي والسفلي لأسطوانة الزيت التي يتم التحكم فيها بواسطة مفاتيح السكتة الدماغية لضمان العمل الآمن لأسطوانة الزيت
البيانات الفنية الرئيسية
| لا. | اسم | وحدة | القيمة | |
| 1 | الضغط الاسمي | كيلو نيوتن | 1600 | |
| 2 | ضغط العمل من السوائل | ميجا باسكال | 25 | |
| 3 | أقصى ارتفاع فتح | مم | 1000 | |
| 4 | رام السكتة الدماغية | مم | 500 | |
| 5 | عمق الحلق | مم | 325 | |
| 6 | سرعة رام | تقترب | ملم / ثانية | 20 |
| العمل | ملم / ثانية | 8 | ||
| عودة | ملم / ثانية | 100 | ||
| 7 | حجم جدول العمل | الجبهة إلى الخلف | مم | 750 |
| يسار يمين | مم | 630 | ||
| 8 | الارتفاع بين الجدول والأرضية | مم | 650 | |
| 9 | قطر ثقب الطمس | مم | 200 | |
| 10 | قوة المحرك | كيلوواط | 15 | |
خدمة ما بعد البيع:
1. لقد حصل البائع على شهادة نظام الجودة ISO9001 منذ عام 1997 ، ويقوم دائمًا بتنفيذ هذه الجودة بدقة
نظام الإدارة في شركتنا وعلى منتجاتنا.
جميع المنتجات قبل الأشغال السابقة تم اختبارها بدقة وتتوافق مع الاتفاق الفني و
اساسي.
2. الضمان هو سنة واحدة منذ تاريخ B / L ، أو تاريخ القبول النهائي للآلات الثقيلة. ضمان أطول
يمكن شراؤها من قبل المستخدم.
3. التكليف: للآلات الثقيلة ، يرسل البائع الفنيين (الكهربائية الهيدروليكية والميكانيكية)
لتوجيه التثبيت ، واختبار وتدريب المشغلين من 7 أيام إلى 45 يومًا بعد الجهاز
يصل إلى مصنع المستخدم. لكن تذاكر الطيران ذهابا وإيابا والإقامة المحلية والبدل
(100 دولار للشخص في اليوم) في بلد المستخدم ستكون مثقلة من قبل المشتري. الرسوم المذكورة أعلاه لا تكون
المدرجة في العرض. سيتم عرض هذه البنود في العقد.
3. للآلات القياسية المتوسطة والصغيرة ، فمن السهل أن تعمل وفقا لدليل التشغيل. المستخدم هو
اقترح أولا أن تقرأ بعناية دليل التشغيل ، ثم بدء تشغيل الجهاز. أي مشاكل غير واضحة ، يرجى يشعر
تتردد في الاتصال البائع.
إذا أصر المستخدم على تقديم الخدمة الفنية في مصنع الاستخدام ، يرجى الرجوع إلى البنود رقم 2 بعد البيع -
الخدمات.
4. يمكن تتبع جميع منتجات البائع عن طريق عدد الأعمال السابقين. يمكن توفير قطع الغيار كما في السابق ،
وهو أمر مفيد لمتطلبات التصميم الخاصة للعملاء.
5. يمكن توفير الأجزاء المستهلكة مجانًا للعميل في غضون ضمان لمدة سنة واحدة من تاريخ B / L ، و
خدمة الاستشارات الفنية طويلة الأجل متاحة.
6. يمكن حل الفشل المشترك عن طريق البريد الإلكتروني والهاتف وتشخيص الفيديو لمسافات طويلة. يجب على المستخدم تزويد كاملة
وصف الفشل ، صور واضحة ومقاطع الفيديو ، إن أمكن.
بمجرد ظهور مشكلة جودة خطيرة بسبب سبب تصنيع البائع خلال سنة واحدة منذ ذلك الحين
B / L تاريخ أو تاريخ القبول النهائي للآلات الثقيلة. سوف يرسل البائع فنيهم لإصلاحه.
7. بعد ضمان لمدة سنة واحدة ، سيقوم البائع بتوفير الاستشارات الفنية المجانية وقطع الغيار والفني
الخدمة بأقل تكلفة.
الإطار C الصحافة الهيدروليكية تستخدم لمعايرة قضيب الحفر النفط
نموذج: Y41-160
المميزات:
- إطار آلة ملحومة لتخفيف الضغط الداخلي عن طريق الفرن
- نوع C الحلق العميق
- توجيه كتلة الشريحة مع السكك الحديدية دليل جولة صلابة عالية
- كتلة الشريحة التي تربط قضيب مكبس من اسطوانة النفط للتحرك صعودا وهبوطا مع أربعة أعمدة التوجيه.
- مع T الشق على طاولة العمل وكتلة الشريحة المستخدمة لتثبيت الأدوات.
- اسطوانة مكبس واحدة لتحقيق الضغط الرئيسي
- خزان النفط مغلق
- وظيفة حماية الضغط الزائد للنظام الهيدروليكي مع تأثير صغير
- خزانة كهربائية مستقلة في يمين الآلة
- لوحة التشغيل المركزية مع مؤشر العمل
- مع عمليات التكيف وشبه التلقائي
- زر التوقف في حالات الطوارئ يمكن أن يتوقف الجهاز في حالات الطوارئ
- مع مفتاح القرب على نقطة تغيير السرعة ونقطة موضع الحد الأعلى القابل للتعديل ونقطة السكتة الدماغية الثابتة لصنع الآلة
حياة طويلة.
- مواقع الحد العلوي والسفلي لأسطوانة الزيت التي يتم التحكم فيها بواسطة مفاتيح السكتة الدماغية لضمان العمل الآمن لأسطوانة الزيت
البيانات الفنية الرئيسية
| لا. | اسم | وحدة | القيمة | |
| 1 | الضغط الاسمي | كيلو نيوتن | 1600 | |
| 2 | ضغط العمل من السوائل | ميجا باسكال | 25 | |
| 3 | أقصى ارتفاع فتح | مم | 1000 | |
| 4 | رام السكتة الدماغية | مم | 500 | |
| 5 | عمق الحلق | مم | 325 | |
| 6 | سرعة رام | تقترب | ملم / ثانية | 20 |
| العمل | ملم / ثانية | 8 | ||
| عودة | ملم / ثانية | 100 | ||
| 7 | حجم جدول العمل | الجبهة إلى الخلف | مم | 750 |
| يسار يمين | مم | 630 | ||
| 8 | الارتفاع بين الجدول والأرضية | مم | 650 | |
| 9 | قطر ثقب الطمس | مم | 200 | |
| 10 | قوة المحرك | كيلوواط | 15 | |
خدمة ما بعد البيع:
1. لقد حصل البائع على شهادة نظام الجودة ISO9001 منذ عام 1997 ، ويقوم دائمًا بتنفيذ هذه الجودة بدقة
نظام الإدارة في شركتنا وعلى منتجاتنا.
جميع المنتجات قبل الأشغال السابقة تم اختبارها بدقة وتتوافق مع الاتفاق الفني و
اساسي.
2. الضمان هو سنة واحدة منذ تاريخ B / L ، أو تاريخ القبول النهائي للآلات الثقيلة. ضمان أطول
يمكن شراؤها من قبل المستخدم.
3. التكليف: للآلات الثقيلة ، يرسل البائع الفنيين (الكهربائية الهيدروليكية والميكانيكية)
لتوجيه التثبيت ، واختبار وتدريب المشغلين من 7 أيام إلى 45 يومًا بعد الجهاز
يصل إلى مصنع المستخدم. لكن تذاكر الطيران ذهابا وإيابا والإقامة المحلية والبدل
(100 دولار للشخص في اليوم) في بلد المستخدم ستكون مثقلة من قبل المشتري. الرسوم المذكورة أعلاه لا تكون
المدرجة في العرض. سيتم عرض هذه البنود في العقد.
3. للآلات القياسية المتوسطة والصغيرة ، فمن السهل أن تعمل وفقا لدليل التشغيل. المستخدم هو
اقترح أولا أن تقرأ بعناية دليل التشغيل ، ثم بدء تشغيل الجهاز. أي مشاكل غير واضحة ، يرجى يشعر
تتردد في الاتصال البائع.
إذا أصر المستخدم على تقديم الخدمة الفنية في مصنع الاستخدام ، يرجى الرجوع إلى البنود رقم 2 بعد البيع -
الخدمات.
4. يمكن تتبع جميع منتجات البائع عن طريق عدد الأعمال السابقين. يمكن توفير قطع الغيار كما في السابق ،
وهو أمر مفيد لمتطلبات التصميم الخاصة للعملاء.
5. يمكن توفير الأجزاء المستهلكة مجانًا للعميل في غضون ضمان لمدة سنة واحدة من تاريخ B / L ، و
خدمة الاستشارات الفنية طويلة الأجل متاحة.
6. يمكن حل الفشل المشترك عن طريق البريد الإلكتروني والهاتف وتشخيص الفيديو لمسافات طويلة. يجب على المستخدم تزويد كاملة
وصف الفشل ، صور واضحة ومقاطع الفيديو ، إن أمكن.
بمجرد ظهور مشكلة جودة خطيرة بسبب سبب تصنيع البائع خلال سنة واحدة منذ ذلك الحين
B / L تاريخ أو تاريخ القبول النهائي للآلات الثقيلة. سوف يرسل البائع فنيهم لإصلاحه.
7. بعد ضمان لمدة سنة واحدة ، سيقوم البائع بتوفير الاستشارات الفنية المجانية وقطع الغيار والفني
الخدمة بأقل تكلفة.