محتوى فارغ!
Y41-40
TSD
Y41-40
TSD
بواسطة حاوية مع طبقة فيلم لينة
Y41-40
الصين
8462919000
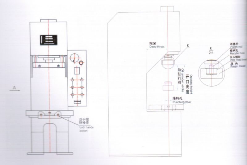
C الإطار الهيدروليكي الصحافة لاستقامة والصحافة في
نموذج: Y41-40
مميزات:
- الكمبيوتر الأمثل هيكل عمودي C مع صلابة عالية
- مظهر جذاب وأنيق ، مع نظام القيادة داخل الإطار
- يتم استخدام صمام التحكم اليدوي الاتجاهي في النظام الهيدروليكي لتنظيم سهل للسرعة
- التعامل مع عملية أو تشغيل دواسة في اختيار المشغل
- السكتة الدماغية والضغط يمكن تعديلها ضمن النطاق المحدد.
خيارات
- استقامة الجدول
| لا. | المعايير الفنية | وحدة | Y41-16 | Y41-25 | Y41-40 | Y41-63 | Y41-100 | Y41-160 | Y41-200 | Y41-315 | Y41-400 | |
| 1 | الضغط الاسمي | كيلو نيوتن | 160 | 250 | 400 | 630 | 1000 | 1600 | 2000 | 3150 | 4000 | |
| 2 | الضغط الهيدروليكي | كيلو نيوتن | 20 | 16 | 16 | 25 | 25 | 25 | 25 | 25 | 25 | |
| 3 | ضربة الشريحة | ميجا باسكال | 400 | 400 | 400 | 500 | 600 | 700 | 700 | 800 | 800 | |
| 4 | ضوء النهار | مم | 500 | 630 | 630 | 750 | 800 | 900 | 1000 | 1100 | 1250 | |
| 5 | عمق الحلق | مم | 250 | 350 | 350 | 320 | 400 | 420 | 450 | 800 | 1500 | |
| 6 | سرعة الشريحة | نزول | ملم / ثانية | 80 | 80 | 120 | 100 | 80 | 80 | 80 | 80 | |
| ملح | 18-20 | 18-20 | 18-20 | 18-20 | 15-20 | 10-12 | 10-15 | 8-10 | 10-12 | |||
| عودة | 50 | 75 | 75 | 100 | 100 | 70 | 70 | 60 | 55 | |||
| 7 | منطقة فعالة من طاولة العمل | L-R | مم | 500 | 580 | 700 | 710 | 800 | 900 | 900 | 1500 | 2000 |
| F-B | 450 | 570 | 570 | 600 | 700 | 800 | 900 | 1500 | 1800 | |||
| 8 | الارتفاع من طاولة العمل إلى الأرض | مم | 710 | 710 | 710 | 810 | 800 | 900 | 900 | 1400 | 1400 | |
| 9 | قطر إسقاط حفرة | مم | 100 | 100 | 100 | |||||||
| 10 | قوة المحرك | كيلوواط | 4 | 5.5 | 5.5 | 7.5 | 7.5 | 11 | 15 | 22 | 22 | |
خدمة ما بعد البيع:
1. لقد حصل البائع على شهادة نظام الجودة ISO9001 منذ عام 1997 ، ويقوم دائمًا بتنفيذ هذه الجودة بدقة
نظام الإدارة في شركتنا وعلى منتجاتنا.
جميع المنتجات قبل الأشغال السابقة تم اختبارها بدقة وتتوافق مع الاتفاق الفني و
اساسي.
2. الضمان هو سنة واحدة منذ تاريخ B / L ، أو تاريخ القبول النهائي للآلات الثقيلة. ضمان أطول
يمكن شراؤها من قبل المستخدم.
3. التكليف: للآلات الثقيلة ، يرسل البائع الفنيين (الكهربائية الهيدروليكية والميكانيكية)
لتوجيه التثبيت ، واختبار وتدريب المشغلين من 7 أيام إلى 45 يومًا بعد الجهاز
يصل إلى مصنع المستخدم. لكن تذاكر الطيران ذهابا وإيابا والإقامة المحلية والبدل
(100 دولار للشخص في اليوم) في بلد المستخدم ستكون مثقلة من قبل المشتري. الرسوم المذكورة أعلاه لا تكون
المدرجة في العرض. سيتم عرض هذه البنود في العقد.
3. للآلات القياسية المتوسطة والصغيرة ، فمن السهل أن تعمل وفقا لدليل التشغيل. المستخدم هو
اقترح أولا أن تقرأ بعناية دليل التشغيل ، ثم بدء تشغيل الجهاز. أي مشاكل غير واضحة ، يرجى يشعر
تتردد في الاتصال البائع.
إذا أصر المستخدم على تقديم الخدمة الفنية في مصنع الاستخدام ، يرجى الرجوع إلى البنود رقم 2 بعد البيع -
الخدمات.
4. يمكن تتبع جميع منتجات البائع عن طريق عدد الأعمال السابقين. يمكن توفير قطع الغيار كما في السابق ،
وهو أمر مفيد لمتطلبات التصميم الخاصة للعملاء.
5. يمكن توفير الأجزاء المستهلكة مجانًا للعميل في غضون ضمان لمدة سنة واحدة من تاريخ B / L ، و
خدمة الاستشارات الفنية طويلة الأجل متاحة.
6. يمكن حل الفشل المشترك عن طريق البريد الإلكتروني والهاتف وتشخيص الفيديو لمسافات طويلة. يجب على المستخدم تزويد كاملة
وصف الفشل ، صور واضحة ومقاطع الفيديو ، إن أمكن.
بمجرد ظهور مشكلة جودة خطيرة بسبب سبب تصنيع البائع خلال سنة واحدة منذ ذلك الحين
B / L تاريخ أو تاريخ القبول النهائي للآلات الثقيلة. سوف يرسل البائع فنيهم لإصلاحه.
7. بعد ضمان لمدة سنة واحدة ، سيقوم البائع بتوفير الاستشارات الفنية المجانية وقطع الغيار والفني
الخدمة بأقل تكلفة.
C الإطار الهيدروليكي الصحافة لاستقامة والصحافة في
نموذج: Y41-40
مميزات:
- الكمبيوتر الأمثل هيكل عمودي C مع صلابة عالية
- مظهر جذاب وأنيق ، مع نظام القيادة داخل الإطار
- يتم استخدام صمام التحكم اليدوي الاتجاهي في النظام الهيدروليكي لتنظيم سهل للسرعة
- التعامل مع عملية أو تشغيل دواسة في اختيار المشغل
- السكتة الدماغية والضغط يمكن تعديلها ضمن النطاق المحدد.
خيارات
- استقامة الجدول
| لا. | المعايير الفنية | وحدة | Y41-16 | Y41-25 | Y41-40 | Y41-63 | Y41-100 | Y41-160 | Y41-200 | Y41-315 | Y41-400 | |
| 1 | الضغط الاسمي | كيلو نيوتن | 160 | 250 | 400 | 630 | 1000 | 1600 | 2000 | 3150 | 4000 | |
| 2 | الضغط الهيدروليكي | كيلو نيوتن | 20 | 16 | 16 | 25 | 25 | 25 | 25 | 25 | 25 | |
| 3 | ضربة الشريحة | ميجا باسكال | 400 | 400 | 400 | 500 | 600 | 700 | 700 | 800 | 800 | |
| 4 | ضوء النهار | مم | 500 | 630 | 630 | 750 | 800 | 900 | 1000 | 1100 | 1250 | |
| 5 | عمق الحلق | مم | 250 | 350 | 350 | 320 | 400 | 420 | 450 | 800 | 1500 | |
| 6 | سرعة الشريحة | نزول | ملم / ثانية | 80 | 80 | 120 | 100 | 80 | 80 | 80 | 80 | |
| ملح | 18-20 | 18-20 | 18-20 | 18-20 | 15-20 | 10-12 | 10-15 | 8-10 | 10-12 | |||
| عودة | 50 | 75 | 75 | 100 | 100 | 70 | 70 | 60 | 55 | |||
| 7 | منطقة فعالة من طاولة العمل | L-R | مم | 500 | 580 | 700 | 710 | 800 | 900 | 900 | 1500 | 2000 |
| F-B | 450 | 570 | 570 | 600 | 700 | 800 | 900 | 1500 | 1800 | |||
| 8 | الارتفاع من طاولة العمل إلى الأرض | مم | 710 | 710 | 710 | 810 | 800 | 900 | 900 | 1400 | 1400 | |
| 9 | قطر إسقاط حفرة | مم | 100 | 100 | 100 | |||||||
| 10 | قوة المحرك | كيلوواط | 4 | 5.5 | 5.5 | 7.5 | 7.5 | 11 | 15 | 22 | 22 | |
خدمة ما بعد البيع:
1. لقد حصل البائع على شهادة نظام الجودة ISO9001 منذ عام 1997 ، ويقوم دائمًا بتنفيذ هذه الجودة بدقة
نظام الإدارة في شركتنا وعلى منتجاتنا.
جميع المنتجات قبل الأشغال السابقة تم اختبارها بدقة وتتوافق مع الاتفاق الفني و
اساسي.
2. الضمان هو سنة واحدة منذ تاريخ B / L ، أو تاريخ القبول النهائي للآلات الثقيلة. ضمان أطول
يمكن شراؤها من قبل المستخدم.
3. التكليف: للآلات الثقيلة ، يرسل البائع الفنيين (الكهربائية الهيدروليكية والميكانيكية)
لتوجيه التثبيت ، واختبار وتدريب المشغلين من 7 أيام إلى 45 يومًا بعد الجهاز
يصل إلى مصنع المستخدم. لكن تذاكر الطيران ذهابا وإيابا والإقامة المحلية والبدل
(100 دولار للشخص في اليوم) في بلد المستخدم ستكون مثقلة من قبل المشتري. الرسوم المذكورة أعلاه لا تكون
المدرجة في العرض. سيتم عرض هذه البنود في العقد.
3. للآلات القياسية المتوسطة والصغيرة ، فمن السهل أن تعمل وفقا لدليل التشغيل. المستخدم هو
اقترح أولا أن تقرأ بعناية دليل التشغيل ، ثم بدء تشغيل الجهاز. أي مشاكل غير واضحة ، يرجى يشعر
تتردد في الاتصال البائع.
إذا أصر المستخدم على تقديم الخدمة الفنية في مصنع الاستخدام ، يرجى الرجوع إلى البنود رقم 2 بعد البيع -
الخدمات.
4. يمكن تتبع جميع منتجات البائع عن طريق عدد الأعمال السابقين. يمكن توفير قطع الغيار كما في السابق ،
وهو أمر مفيد لمتطلبات التصميم الخاصة للعملاء.
5. يمكن توفير الأجزاء المستهلكة مجانًا للعميل في غضون ضمان لمدة سنة واحدة من تاريخ B / L ، و
خدمة الاستشارات الفنية طويلة الأجل متاحة.
6. يمكن حل الفشل المشترك عن طريق البريد الإلكتروني والهاتف وتشخيص الفيديو لمسافات طويلة. يجب على المستخدم تزويد كاملة
وصف الفشل ، صور واضحة ومقاطع الفيديو ، إن أمكن.
بمجرد ظهور مشكلة جودة خطيرة بسبب سبب تصنيع البائع خلال سنة واحدة منذ ذلك الحين
B / L تاريخ أو تاريخ القبول النهائي للآلات الثقيلة. سوف يرسل البائع فنيهم لإصلاحه.
7. بعد ضمان لمدة سنة واحدة ، سيقوم البائع بتوفير الاستشارات الفنية المجانية وقطع الغيار والفني
الخدمة بأقل تكلفة.